ACOTACIÓN NORMALIZADA

DEL BOCETO AL PROYECTO

Unidad 11

 2• OTRAS PAUTAS DE ACOTACIÓN

Como ya vimos ,los arcos de circunferencia superiores a 180° siempre se acota su diámetro aplicando el símbolo «Ø» antes del valor de cota. Los arcos de circunferencia iguales o menores de 180° no se acotan por su diámetro, sino por su radio precedido por la letra R.

2.1 Acotación de diámetros, radios y arcos.

  Como ya vimos en la página anterior en los arcos de circtunferencia superiores a 180° siempre se acota su diámetro aplicando el símbolo «Ø» antes del valor de cota. Los arcos de circunferencia iguales o menores de 180° no se acotan por su diámetro, sino por su radio precedido por la letra R

Si un diámetro se puede ilustrar con una punta de flecha, la línea de dimensión debe exceder el centro y nunca se usan los ejes de simetría como líneas de cota. El símbolo del radio (R) usa solo un terminador colocado en el centro de la intersección de la linea de dimensión y el arco. Para partes redondeadas o arcos muy pequeños no es necesario señalar su centro y puede omitirse en radios menores de 2 mm.

Cuando se trate de acotar diametralmente varias circunferencias concéntricas debe evitarse acotar más de dos, el resto se llevará a cabo sobre otra vista para evitar confusión. En las coronas circulares no se acota la diferencia de diámetros, ni de radios, sino la totalidad de cada uno de ellos.

En caso de los arcos, el valor dimensional va precedido del arco . Las cotas angulares deben rotularse siempre horizontalmente, facilitándose de esta manera su lectura.

Las líneas de extensión se dibujan como líneas estrechas continuas a una distancia aproximada de 8 veces el ancho de la línea entre la característica y el comienzo de la línea de extensión, de forma perpendicular a la longitud física correspondiente. Si fuera necesario pueden dibujarse oblicuas pero ambas deben ser siempre paralelas entre sí.

2.2 Excepciones de las lineas de cota. 

La posición de los valores dimensionales necesita frecuentemente adaptación a diferentes situaciones. Por ejemplo, pueden estar por encima de la extensión de la línea de dimensión más allá de uno de los extremos, si el espacio es limitado. También pueden mostrarse en una línea de referencia y adjuntarse a la línea de dimensión mediante una línea guía, terminando en la línea de dimensión que es demasiado corta para indicar el valor dimensional de la forma habitual entre las líneas de extensión. También pueden presentarse sobre una extensión horizontal de una línea de dimensión donde el espacio no permite la colocación paralela a la línea de dimensión.

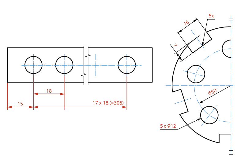
2.3 Acotación de elementos repetidos.

Cuando ciertos elementos en un dibujo tengan el mismo espaciado y estén dispuestos uniformemente, su dimensionamiento se puede simplificar para facilitar su lectura. Los espaciamientos lineales y angulares y los valores dimensionales repetidos en una pieza pueden indicarse con el número de espaciamientos y su valor dimensional o ángulo separados por el símbolo “x”.

Los ángulos de los espaciamientos pueden omitirse cuando los ángulos o los espaciamientos son evidentes y la indicación no induce a confusión. Igualmente, si las características repetidas tienen las mismas dimensiones, la dimensión puede indicarse una vez.

Acotación continua:

Cuando existen limitaciones de espacio o circunstancias relacionadas con necesidades especiales en diferentes ramas de la industria. El origen común se indicará como se muestra en la imágen a la izquierda de estas líneas.

Los valores dimensionales pueden colocarse cerca del terminador, en línea con la línea de extensión correspondiente o cerca del terminador, arriba y fuera de la línea de dimensión.


Acotación paralela:

Las líneas de dimensión se trazarán paralelas en una, dos o tres direcciones ortogonales o concéntricas. 

Acotación en cadena:
Usando el dimensionamiento de cadenas.Las cadenas de dimensiones individuales se deben colocar en una fila.